足跡
漫談
全部
烘焙手記
茶葉知識
炭紀日常
茶席美學
茶訊
炭焙
品鑑
檢測報告
商店
語言
English
日本語
購物車
您的購物車目前是空的
總計
NT$0
前往結帳
首頁
/
檢測報告
/
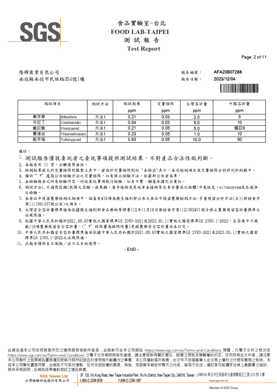
阿里山金萱烏龍茶(中焙火)-AFA23B07288
阿里山金萱烏龍茶(中焙火)-AFA23B07288
前往SGS安心資訊平台-查看此份完整的檢測報告
返回上一頁
足跡
漫談
全部
烘焙手記
茶葉知識
炭紀日常
茶席美學
茶訊
炭焙
品鑑
檢測報告
商店
語言
English
日本語
會員專區
我的訂單
會員資料
Facebook
Instagram
Line
Youtube
儲存成功
資料有問題